


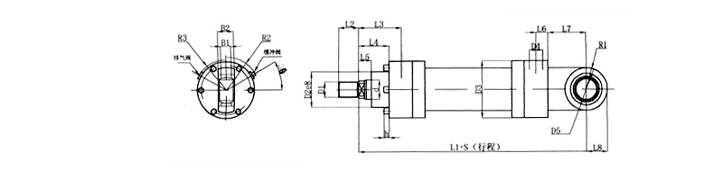
代號\缸徑(mm) |
40 |
50 |
63 |
80 |
100 |
125 |
140 |
160 |
180 |
200 |
220 |
250 |
280 |
320 |
360 |
400 |
|
d |
22/ 28 |
28/ 36 |
36/ 45 |
45/ 56 |
56/ 70 |
70/ 90 |
90/ 100 |
100/ 110 |
110/ 125 |
125/ 140 |
140/ 160 |
160/ 180 |
180/ 200 |
200/ 220 |
220/ 25 |
250/ 280 |
|
L(緩沖長度) |
20 |
20 |
25 |
30 |
35 |
50 |
50 |
55 |
65 |
70 |
80 |
90 |
90 |
100 |
110 |
120 |
|
D1 |
Ⅰ型 |
M16 ×1.5 |
M22 ×1.5 |
M30 ×2 |
M36 ×2 |
M48 ×2 |
M56 ×2 |
M72 ×3 |
M80 ×3 |
M100 ×3 |
M110 ×3 |
M125 ×4 |
M125 ×4 |
M140 ×4 |
M160 ×4 |
M180 ×4 |
M200 ×4 |
Ⅱ型 |
M16 ×1.5 |
M22 ×1.5 |
M28 ×1.5 |
M35 ×1.5 |
M45 ×1.5 |
M58 ×1.5 |
M65 ×1.5 |
M80 ×2 |
M100 ×2 |
M110 ×2 |
M120 ×3 |
M120 ×3 |
M130 ×3 |
- |
- |
- |
|
Ⅲ型 |
M18 ×2 |
M24 ×2 |
M30 ×2 |
M39 ×3 |
M50 ×3 |
M64 ×3 |
M80 ×3 |
M90 ×3 |
M100 ×3 |
M110 ×4 |
M120 ×4 |
M120 ×4 |
M150 ×4 |
M160 ×4 |
M180 ×4 |
M200 ×4 |
|
D2 |
50 |
64 |
75 |
95 |
115 |
135 |
155 |
180 |
200 |
215 |
245 |
280 |
305 |
350 |
400 |
450 |
|
D3 |
80 |
100 |
120 |
140 |
170 |
205 |
225 |
265 |
290 |
315 |
355 |
400 |
440 |
500 |
550 |
620 |
|
D4 |
公制 |
M18 ×1.5 |
M22 ×1.5 |
M27 ×2 |
M33 ×2 |
M42 ×2 |
M42 ×2 |
M42 ×2 |
M48 ×2 |
M48 ×2 |
M48 ×2 |
M48 ×2 |
M48 ×2 |
M48 ×2 |
M48 ×2 |
M60 ×2 |
M60 ×2 |
英制 |
G3/ 8" |
G1/ 2" |
G3/ 4" |
G3/ 4" |
G1" |
G1'/ 4" |
G1'/ 4" |
G1'/ 4" |
G1'/ 2" |
G1'/ 2" |
G1'/ 2" |
G1'/ 2" |
G1'/ 2" |
G1'/ 2" |
G2" |
G2" |
|
D5 |
25 |
30 |
35 |
40 |
50 |
60 |
70 |
80 |
90 |
100 |
110 |
110 |
120 |
140 |
160 |
180 |
|
L1 |
252 |
265 |
302 |
330 |
385 |
447 |
490 |
550 |
610 |
645 |
750 |
789 |
884 |
980 |
1080 |
1190 |
|
L2 |
Ⅰ型 |
22 |
30 |
40 |
50 |
63 |
75 |
85 |
95 |
112 |
112 |
125 |
125 |
140 |
160 |
180 |
200 |
Ⅱ型 |
16 |
22 |
28 |
35 |
45 |
58 |
65 |
80 |
100 |
110 |
120 |
120 |
130 |
— |
— |
— |
|
Ⅲ型 |
30 |
35 |
45 |
55 |
75 |
95 |
110 |
120 |
140 |
150 |
160 |
160 |
190 |
200 |
220 |
260 |
|
L3 |
76 |
80 |
89.5 |
87.5 |
112.5 |
129.5 |
142.5 |
160 |
175 |
180 |
220 |
230 |
260 |
295 |
320 |
360 |
|
L4 |
54 |
58 |
67 |
65 |
85 |
97 |
105 |
120 |
130 |
135 |
155 |
165 |
170 |
195 |
210 |
230 |
|
L5 |
17 |
20 |
20 |
20 |
30 |
30 |
30 |
35 |
35 |
40 |
40 |
40 |
40 |
40 |
50 |
50 |
|
L6 |
23 |
23 |
22.5 |
32.5 |
27.5 |
32.5 |
37.5 |
40 |
50 |
50 |
65 |
65 |
90 |
100 |
110 |
130 |
|
L7 |
35 |
40 |
45 |
60 |
65 |
70 |
75 |
85 |
95 |
105 |
125 |
140 |
150 |
175 |
200 |
220 |
|
L8 |
28 |
32.5 |
40 |
50 |
62.5 |
70 |
82 |
95 |
113 |
125 |
142.5 |
160 |
180 |
200 |
230 |
260 |
|
R1 |
28 |
32.5 |
40 |
50 |
62.5 |
65 |
77 |
88 |
103 |
115 |
132.5 |
150 |
170 |
190 |
215 |
245 |
|
R2 |
56.5 |
61 |
75.5 |
81.5 |
99 |
113 |
133 |
149 |
172.5 |
182.5 |
210 |
230 |
261 |
287 |
330 |
360 |
|
R3 |
53 |
57.5 |
70.5 |
76.5 |
81 |
107 |
123 |
139 |
158.5 |
165.8 |
192 |
212 |
239 |
265 |
302 |
332 |
|
B1 |
20 |
22 |
25 |
28 |
35 |
44 |
49 |
55 |
60 |
70 |
70 |
70 |
85 |
90 |
105 |
105 |
|
B2 |
23 |
28 |
30 |
35 |
40 |
50 |
55 |
60 |
65 |
70 |
80 |
80 |
90 |
110 |
120 |
130 |
|
θ |
30° |
30° |
30° |
30° |
30° |
30° |
45° |
45° |
45° |
45° |
45° |
45° |
45° |
45° |
54° |
54° |
|
n |
6 |
6 |
6 |
6 |
6 |
6 |
8 |
8 |
8 |
8 |
8 |
8 |
8 |
8 |
10 |
10 |
|
h |
10 |
12.5 |
15 |
15 |
20 |
25 |
25 |
30 |
30 |
37.5 |
37.5 |
45 |
45 |
52.5 |
52.5 |
60 |
|